產品簡介:
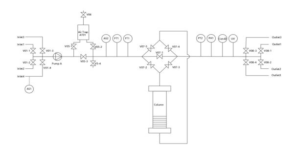
慧德易QuikSep Econ?經濟全自動層析系統采用國產衛生級隔膜單泵設計,配合衛生級非接觸式管道式超聲波流量計,可在線監測流量、UV、電導、pH、壓力、溫度,出入口閥,柱位閥、氣泡陷阱閥為由衛生氣動閥門,是為中試和工業級生物制品純化而專門設計的層析系統,可實現等度或階梯梯度洗脫,適用于蛋白、疫苗、血液制品、單抗等生物制品的工業級樣品制備。
產品特點:
? ? ? ?QuikSep Econ?采用模塊化快速拆裝模式,自動化程度高,可提供多樣化的自選配置方案,完美貼合不同用戶的實際生產需要。
? 堆疊式管路設計,實現最小管路死體積;
? 滿足用戶定制,實現靈活多變的配置;
? 自主開發的控制軟件,符合FDA規范,數據、日志實時記錄,可追溯,不可修改;
? 靈活的方法編輯功能,可基于時間、體積、柱體積進行自動流程生產;
? 能夠實現自動上樣及自動判斷上樣完畢切換到淋洗、洗脫模式;
? 穩定可靠的數據采集和管理功能,實時保存,斷電數據不丟失,可追蹤原始記錄;
? 符合USP ClassⅥ?的材質,防護等級IP65;
? 完善的IQ / OQ文件驗證。
序號 | 名稱 | 數量 | QuikSep Econ 1S | QuikSep Econ 3S | QuikSep Econ 10S | QuikSep Econ 20S | QuikSep Econ 40S |
1 | 國產四元隔膜泵 | 1 | 1L/h-60L/h | 1L/h-180L/h | 6L/h-600L/h | 6L/h-1200L/h | 10L/h-2400L/h |
2 | 系統耐壓 | 6Bar | |||||
3 | 流速精度 | ±2% | |||||
4 | 顯示屏 | 1 | 西門子15‘’觸摸顯示屏 | ||||
5 | pH檢測器 | 1 | Hamilton pH, 0~14,精度±0.1 | ||||
6 | 電導檢測器 | 1 | Hamilton 電導,1-300mS/cm,精度±2%,集成溫度傳感器 | ||||
7 | UV檢測器 | 1 | 190-400nm,可變雙波長,波長精度±1nm | ||||
8 | UV檢測器光纖 | 2 | 長度1.2m | ||||
9 | 壓力傳感器 | 2 | 0~10bar,精度≤0.5% | ||||
10 | 氣泡傳感器 | 2 | AQ氣泡傳感器,最小檢測氣泡2mm,靈敏度5檔可調 | ||||
11 | 液位開關 | 2 | 電容式,感應距離12mm | ||||
12 | 超聲波流量計 | 1 | ±0.5% | ||||
13 | 入口閥 | 2 | 蓋米氣動隔膜組合閥(2、4、6、8入口) | ||||
14 | 氣泡陷阱閥 | 1 | 蓋米氣動隔膜組合閥 | ||||
15 | 排空閥 | 1 | 蓋米氣動隔膜閥 | ||||
16 | 排氣閥 | 1 | 蓋米氣動隔膜閥 | ||||
17 | 柱位閥 | 1 | 蓋米氣動隔膜組合閥 | ||||
18 | 出口閥 | 1 | 蓋米氣動隔膜組合閥(2、4、6、8出口) | ||||
19 | PLC組件 | 1 | SIEMENSS7 | ||||
20 | 氣源三聯體 | 1 | 工作氣壓6-8bar | ||||
21 | 氣泡陷阱 | 1 | 配自動高低液位計 | ||||
22 | 全自動層析系統V1.0 | 1 | 全自動層析V1.0控制軟件,自動記錄分析,可審計追蹤。符合FDA,GMP | ||||



